Najstarsza filia WARR – Naukowej Grupy Badawczej ds. Rakiet i Astronautyki – powstała w 1962 roku na Politechnice Monachium. Studenci WARR Rocketry, reprezentujący kierunki takie jak lotnictwo i kosmonautyka, inżynieria mechaniczna, ekonomia oraz zarządzanie, realizują projekt „Nixus”, którego celem jest rozwój rakiety sondującej zasilanej ciekłym paliwem. W konstrukcji napędu rakietowego oraz instalacji płynowych stanowiska badawczego zespół Nixus wykorzystuje wysokiej klasy zawory bezpieczeństwa marki GOETZE.
Zawory bezpieczeństwa GOETZE – sprawdzone rozwiązania dla sektora lotniczo-kosmicznego
Kompaktowa konstrukcja połączona z wysoką wydajnością sprawia, że zawory bezpieczeństwa GOETZE stanowią kluczowy element ochrony instalacji płynowych rakiety sondującej „Nixus”. Zastosowanie tych rozwiązań gwarantuje niezawodną pracę oraz wysoki poziom bezpieczeństwa zarówno infrastruktury testowej, jak i rakiety „Ex-4” zasilanej paliwem ciekłym.
Bezpieczeństwo i efektywność w testach silników rakietowych
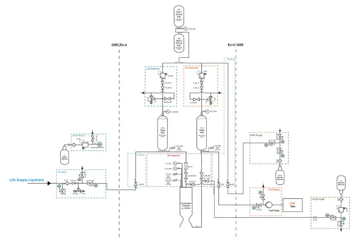
Zespół Ground Support Equipment (GSE) odpowiada za projektowanie, rozwój oraz wytwarzanie infrastruktury naziemnej niezbędnej do badań i prób poszczególnych podzespołów. Kluczowym etapem prac było stworzenie stanowiska testowego silników w Garching, umożliwiającego badania zarówno mniejszych komór spalania chłodzonych pojemnościowo, jak i konstrukcji z chłodzeniem regeneracyjnym. Złożoność technologii rakiet na paliwo ciekłe stawia wysokie wymagania przed projektantami oraz instalacją płynową stanowiska badawczego. W celu zapewnienia maksymalnego poziomu bezpieczeństwa zespół GSE wykorzystuje zawory bezpieczeństwa GOETZE do ochrony całej infrastruktury testowej.
Paliwo ciekłe i zawory bezpieczeństwa w centrum uwagi
Silniki rozwijane przez zespół są zasilane etanolem jako paliwem oraz ciekłym tlenem (LOX) pełniącym rolę utleniacza. Oba media trafiają do jednostki napędowej za pośrednictwem zaawansowanego układu płynowego stanowiska badawczego. Zawory bezpieczeństwa GOETZE serii 492 zabezpieczają kluczowe elementy instalacji, w tym zbiorniki etanolu oraz ciekłego tlenu (LOX). Specjalna wersja GOX tej serii została zaprojektowana z myślą o pracy w środowisku wzbogaconym w tlen – zawór nie styka się bezpośrednio z ciekłym tlenem, lecz funkcjonuje w atmosferze tlenowej powstającej w wyniku parowania LOX nad lustrem cieczy w zbiorniku.

Etanol jako paliwo jest prowadzony wzdłuż zewnętrznej powierzchni komory spalania, gdzie pełni funkcję chłodzenia regeneracyjnego. Aby zrównoważyć spadki ciśnienia w układzie oraz umożliwić jednoczesny wtrysk etanolu i tlenu do komory spalania przy identycznym poziomie ciśnienia, zbiornik etanolu musi pracować pod podwyższonym ciśnieniem. W tym zastosowaniu optymalnym rozwiązaniem są zawory bezpieczeństwa serii 492 o ciśnieniu otwarcia 130 bar.

Zawór bezpieczeństwa serii 2400, wykonany ze stali nierdzewnej, odpowiada za zabezpieczenie instalacji napełniania ciekłym tlenem (LOX). Skutecznie chroni kluczowe elementy układu, w tym przewody próżniowe, przed niekontrolowanym wzrostem ciśnienia.
Równolegle z próbami prowadzonymi na w pełni uruchomionym stanowisku badawczym oraz w oparciu o rezultaty kolejnych kampanii testowych, zespół WARR opracował rakietę „Ex-4”, przygotowaną do udziału w European Rocketry Challenge 2023 w Portugalii. Za projekt oraz precyzyjne wymiarowanie instalacji płynowej odpowiadał zespół ds. systemów płynów, którego zadaniem było zapewnienie niezawodnego transportu paliwa ze zbiorników do komory spalania silnika. Tego typu armatura sprawdzi się w wielu rozwiązaniach, nie tylko tworzących przemysł lotniczy.

Projektowanie i wykonanie systemu płynowego
Zawory bezpieczeństwa GOETZE ponownie znalazły zastosowanie w zabezpieczaniu kluczowych, krytycznych elementów konstrukcji rakiety. Choć pełnią tę samą rolę co w instalacjach testowych, ich integracja bezpośrednio w pojeździe rakietowym wiąże się z istotnie wyższymi wymaganiami technicznymi. W celu osiągnięcia maksymalnej wysokości lotu konieczna jest redukcja masy oraz gabarytów wszystkich komponentów. Kompaktowa budowa zaworów GOETZE pozwala spełnić te rygorystyczne założenia konstrukcyjne. Dzięki temu Naukowa Grupa Badawcza ds. Rakiet i Astronautyki (WARR) działająca przy Politechnice Monachijskiej jest doskonale przygotowana do kolejnego udanego startu, gdy rozpoczyna się odliczanie: T-minus 5… 4… 3… 2… 1… zapłon i start.






